Auction Ended
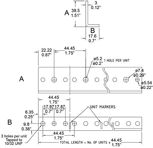
Penn Elcom R0828/12 Steel Rack Rail for Mounting Audio, Home Theatre, Recording Studio, PA Equipment, IT, One Pair Tapped and Thredded for 10/32 UNF, M5 or M6, 12 Rack Spaces (12U)
Sold
As Is
QTY 1
$3.50
MSRP
MSRP is a sample online retail price.
$24.98
Last Update:
12/16/2025, 11:06 PM ESTItem Information
MSRP:
MSRP is a sample online retail price.
$24.98
Condition:
As Is
Description:
N/A
Lot Code:
PNK1898094
Additional Info:
As Is
Pickup Location:
21160 Drake Rd, Strongsville OH 44149
Item Location:
STO - Auction Pickup Center
07 - Aisle
46 - Bay
03 - Level
Auction Number
STO2504697







































































